MARTILLOS

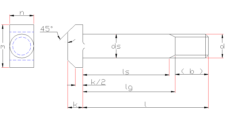
En estos tipos de tornillos encontramos los llamados DIN 604, MARTILLO, MARTILLO CON CUELLO.

Envío a toda la República Mexicana.

Llegamos a cualquier parte del país, rápido y seguro.

Garantía

Respaldo total en todos nuestros productos.

Conoce nuestra garantía Tormex
Calidad respaldada en cada producto.