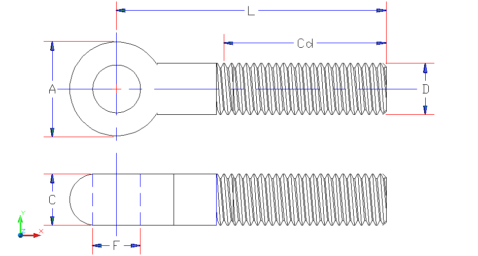
TORNILLOS OJO

Tornillos Cabeza en forma de Ojillo cuya función es sujetar tanto con la cuerda como con el ojillo, se usan generalmente para cargar motores y sujetar cosas temporalmente.

Envío a toda la República Mexicana.

Llegamos a cualquier parte del país, rápido y seguro.

Garantía

Respaldo total en todos nuestros productos.

Conoce nuestra garantía Tormex
Calidad respaldada en cada producto.