TORNILLOS A-394 T-1

Resumen de la norma solo para Información en General

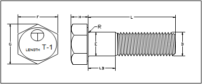
1.- Dimensiones

Norma ANSI/ASME B18.2.1 TORNILLOS HEXAGONALES

2.- Composición Química

Carbon 0.28 – 0.55 Manganeso Min 0.60 Fosforo Max 0.048 Azufre Max 0.058

3.- Requisitos de Dureza

Mínimo 25 Rockwell C Máximo 34 Rockwell C

4.- Requisitos de tensión

Resistencia a la Tensión 120 000 psi

Envío a toda la República Mexicana.

Llegamos a cualquier parte del país, rápido y seguro.

Garantía

Respaldo total en todos nuestros productos.

Conoce nuestra garantía Tormex
Calidad respaldada en cada producto.