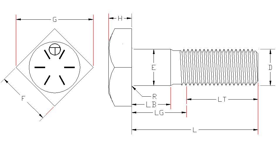
CABEZA LIVIANA Y CABEZA PESADA

Tornillos de cabeza cuadrada también conocidos como sapos usado comúnmente en vías férreas, la cabeza puede ser de tipo liviana o de tipo pesada, esta última se utiliza en superficies de concreto, los tornillos se fabrican bajo normas internaciones, y de acuerdo a especificaciones del cliente.

Envío a toda la República Mexicana.

Llegamos a cualquier parte del país, rápido y seguro.

Garantía

Respaldo total en todos nuestros productos.

Conoce nuestra garantía Tormex
Calidad respaldada en cada producto.