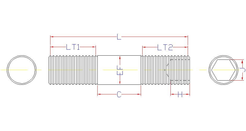
C/ HEXAGONO INTERIOR

Birlo también llamados o denominado Prisionero  o Allen. La función principal de éstos es como opresores.

Envío a toda la República Mexicana.

Llegamos a cualquier parte del país, rápido y seguro.

Garantía

Respaldo total en todos nuestros productos.

Conoce nuestra garantía Tormex
Calidad respaldada en cada producto.