TORNILLOS A-307 GRADO A

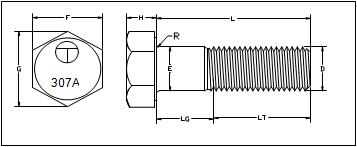
1.- Dimensiones

Norma ANSI/ASME B18.2.1 TORNILLOS HEXAGONALES

2.- Composición Química

Carbon Max 0.29 Manganeso Max 1,20 Fosforo Max 0.04 Azufre Max 0.15 Sulfur Max   0.15

3.- Requisitos de Dureza

Mínimo 69 Rockwell B Máximo 100 Rockwell B

4.- Requisitos de tensión

Resistencia ala Tensión 60 ksi Min

Envío a toda la República Mexicana.

Llegamos a cualquier parte del país, rápido y seguro.

Garantía

Respaldo total en todos nuestros productos.

Conoce nuestra garantía Tormex
Calidad respaldada en cada producto.