Ir al contenido
5553544-3535
ventas@tormex.com
Buscar
$
0.00
0
Carrito
Home
¿Quiénes somos?
Productos
Home
¿Quiénes somos?
Productos
Inicio
/
Productos de fábrica
/ AVELLANADO
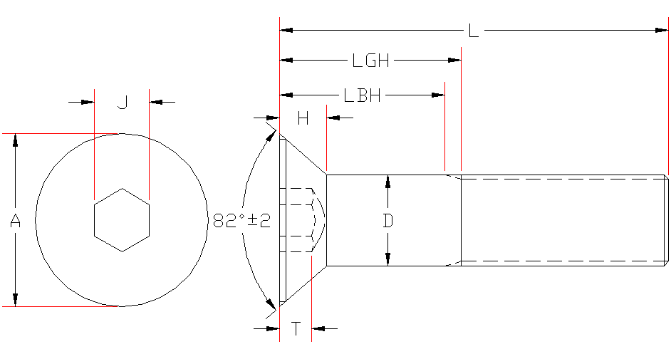
AVELLANADO
Envios nacionales
Envios internacionales
Envío a toda la República Mexicana.
Llegamos a cualquier parte del país, rápido y seguro.
Garantía
Respaldo total en todos nuestros productos.
Conoce nuestra garantía Tormex
Calidad respaldada en cada producto.
Haz clic aquí.
Related products
Productos relacionados
ARANDELA FERROCARRILERA
Leer más
CON CABEZA APLASTADA
Leer más
ESPARRAGOS B7
Leer más
CON CABEZA BOTÓN Y CUERPO MOLETEADO Y EN «L»
Leer más