Ir al contenido
5553544-3535
ventas@tormex.com
Buscar
$
0.00
0
Carrito
Home
¿Quiénes somos?
Productos
Home
¿Quiénes somos?
Productos
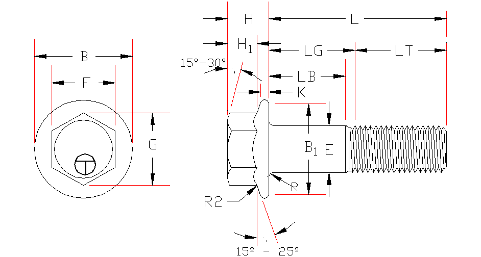
TORNILLOS FLANGE O BRIDA
TORNILLOS FLANGE O BRIDA
diciembre 26, 2015
TORNILLOS FLANGE O BRIDA
diciembre 26, 2015