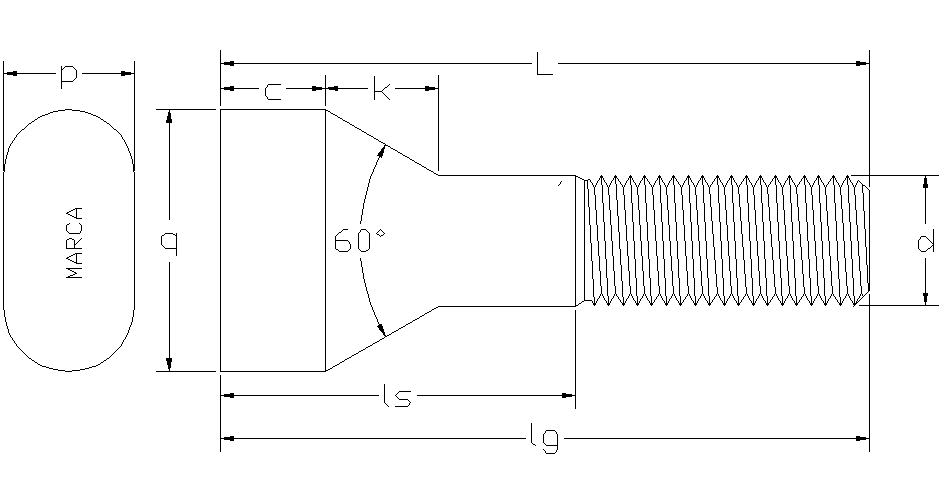
Los Tornillos Forro Molino tienen en la cabeza diferentes formas como son: elíptica, oval, cilíndrica, cuadrada, de ruptura, redonda, redonda avellanada y avellanada con cuña. El acero utilizado en los Forros Molinos puede ser de diferentes grados y al fabricarlo con este tipo de materia prima especial durará más el producto.

Los Tornillos Forro Molino se usan básicamente para la industria Cementera y Minera, en los hornos giratorios. La característica especial de estos Tornillos es la cabeza, la dimensión de éstos determina su vida útil. Los Tornillos Forro Molino son usados para golpear y moler productos.

Para la elaboración de éstos se requieren especificaciones dadas por el cliente, por medio de un plano para su fabricación.

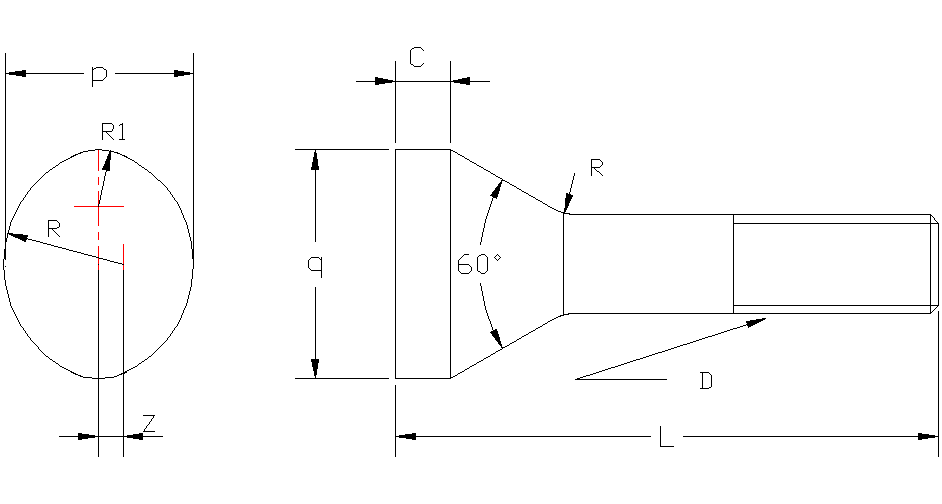
CABEZA REDONDA AVELLANADA CON CUÑA

Tornillo también conocido como Forro Molino con cabeza cilíndrica, éste cuenta con una cuña o prisionero, se usa en la industria cementera. La cuña de éste tiene la función de anclar e impedir que el tornillo se gire y se afloje el ensamble al cual sujeta.