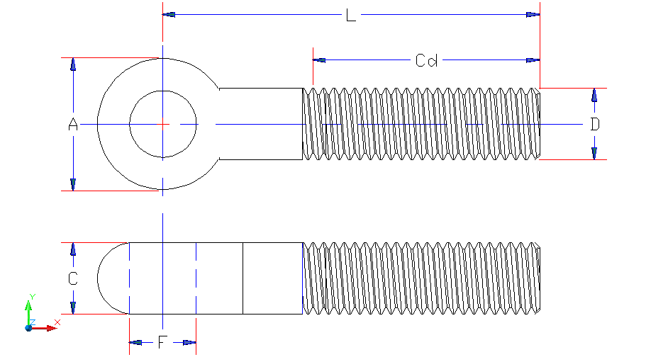
Shaped head bolt Ojillo whose function is to hold both the rope and the eyelet are generally used to load and hold things temporarily engines.

WhatsApp Whatsapp Us