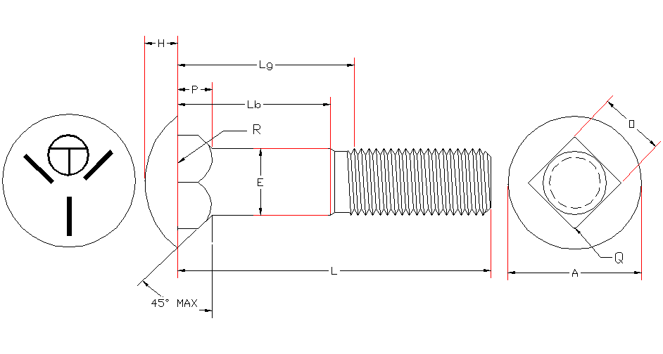
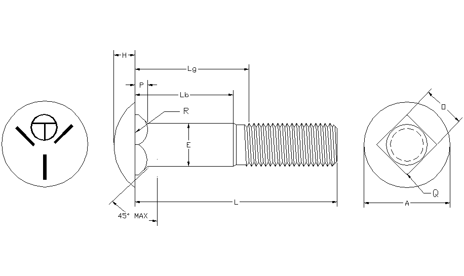
CARRIAGE BOLT

Bolts Car are round dome shaped head, whose square neck in order to prevent twisting in the assembly. It is used in agricultural, electrical and special structures industry.