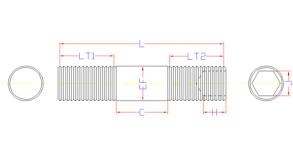
BIRLO

Los Birlos y los Espárragos, NO tienen cabeza en ninguno de los extremos, pueden o no tener cuerda en alguno o los dos extremos, e incluso puede tener rosca todo el Birlo o Espárrago.

Su función principal es asegurar cosas por cualquiera de sus extremos, el largo de éstos varía dependiendo de las necesidades del cliente.

C/ HEXAGONO INTERIOR

Birlo también llamados o denominado Prisionero  o Allen. La función principal de éstos es como opresores.