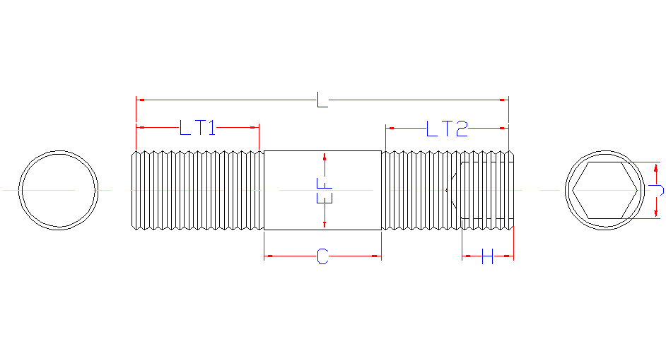
Asparagus are threaded rods as a whole, it depends on the characteristics of the client to provide some resistance to the product, as well as specify the raw materials used for these. A asparagus heat treatment leads to give some resistance.